|
|
Měnič 12/24 V - 1A
Popisovaný měnič umožňuje přibližně zdvojnásobit výstupní napětí za maximálního odběru asi 1A. Například ze 6V udělá 12V, nebo z 12V udělá 24V. Výhodou je poměrně velká zatížitelnost (asi do 1A) při dobré účinnosti 80 až 85 % a bez použití indukčnosti.
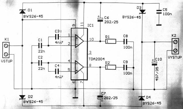
Zapojení je na obrázku
1. Základem je výkonový zesilovač, který je v zapojení
záměrně zapojen aby kmital. Jeho frekvence je asi 5 kHz a je dána kondenzátory
C1 až C4. Při kmitání se nabíjejí kondenzátory C6 a C7 na napájecí napětí a
vybíjejí se do C10, kde se jejich napětí sčítá. Tím se na výstupu dostane
dvojnásobné napětí oproti vstupu.
Pokud je na vstupu napětí 12V, je při
odběru 200mA na výstupu napětí asi 23,5V a při odběru 1A klesne na zhruba
22,5V.
I při relativně vysoké účinnosti je při větším odběru výkonová ztráta
na IO asi 20W. to vyžaduje přiměřeně velký chladič. Tento integrovaný obvod má
však integrovanou tepelnou ochranu, takže při nadměrném zahřátí by se měl
vypnout.

Obr. 1. Schéma zapojení.

Obr. 2. Obrázek desky s plošnými spoji (59×56 mm).
Komentáře k tomuto článku:
|
24.01.04 :
javier |
|
Článek pochází z adresy http://pandatron.net |
Zdeněk
Novotný |